Hướng dẫn sử dụng, lắp đặt và đấu nối công tắc ổ cắm Simon i7 cao cấp
Dòng công tắc ổ cắm Simon i7 được thiết kế theo phong cách hiện đại lấy cảm hứng từ phím đàn piano, mang đến vẻ đẹp tinh tế, sang trọng và đậm chất châu Âu cho không gian sống.
Sản phẩm hướng đến sự tối giản nhưng vẫn đảm bảo tính tiện nghi, phù hợp cho cả nhà ở dân dụng và công trình thương mại.
Về cấu tạo và vật liệu, Simon i7 được đánh giá cao nhờ:
- Vỏ công tắc làm từ nhựa PC cao cấp, có khả năng chống cháy, chịu nhiệt và chống va đập tốt
- Nút nhấn lớn, thao tác bật/tắt nhẹ nhàng, độ nảy tốt và độ chính xác cao
- Cơ chế hoạt động bền bỉ, đạt khoảng 40.000 lần bật/tắt
- Thiết kế âm tường giúp tăng tính thẩm mỹ và bảo vệ hệ thống dây điện bên trong
- Tuổi thọ trung bình có thể lên đến hơn 12 năm trong điều kiện sử dụng bình thường
Đối với phần ổ cắm, sản phẩm sử dụng:
- Lõi tiếp xúc bằng hợp kim đồng chất lượng cao
- Độ đàn hồi tốt, tiếp xúc ổn định với phích cắm
- Khả năng chịu mài mòn cao, có thể đạt hơn 10.000 lần cắm/rút
- Tích hợp cửa bảo vệ an toàn, hạn chế rủi ro điện giật và bụi bẩn
Hướng dẫn sử dụng và lắp đặt công tắc Simon i7
Để đảm bảo an toàn và hiệu quả khi sử dụng, việc lắp đặt công tắc Simon i7 cần tuân thủ đúng quy trình kỹ thuật.
Bước 1: Tháo thiết bị
Sử dụng tua vít phù hợp để tháo mặt công tắc hoặc ổ cắm ra khỏi đế lắp đặt.
Bước 2: Kết nối dây điện
Tiến hành đấu nối dây điện theo đúng sơ đồ kỹ thuật của từng loại công tắc, đảm bảo:
- Kết nối chắc chắn
- Không để hở dây
- Đúng vị trí cực đấu nối
Bước 3: Cố định đế lắp đặt
Sử dụng vít đi kèm sản phẩm để cố định phần đế vào hộp âm tường. Có thể điều chỉnh vị trí lắp đặt thông qua các khe vít hỗ trợ.
Bước 4: Hoàn thiện lắp đặt
Trong quá trình thi công nội thất, nên bảo vệ bề mặt công tắc bằng bao bọc để tránh bụi bẩn. Sau khi hoàn thiện, gắn mặt công tắc vào đế và hoàn tất lắp đặt.

Lưu ý quan trọng
- Việc lắp đặt phải do thợ điện có chuyên môn thực hiện
- Đảm bảo ngắt nguồn điện trước khi thi công
- Sản phẩm phù hợp với hộp âm có độ sâu từ 35mm trở lên
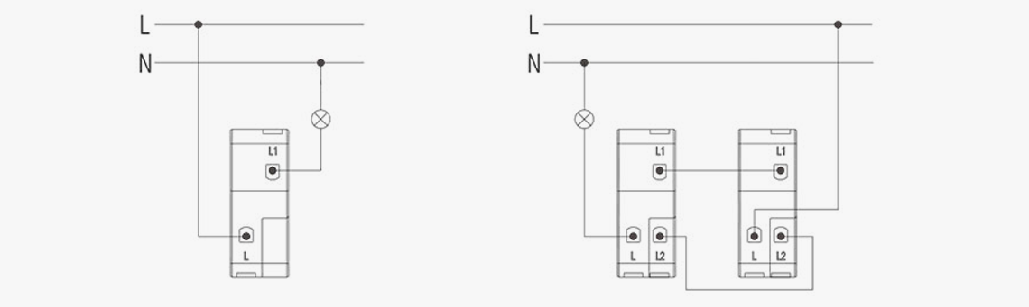
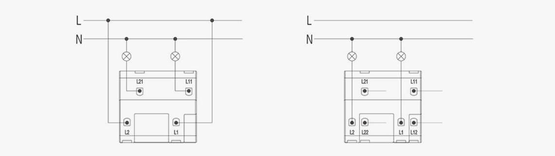
Sơ đồ đấu nối dây công tắc Simon i7
Dòng Simon i7 hỗ trợ nhiều cấu hình đấu nối khác nhau, phù hợp với đa dạng nhu cầu sử dụng:

Công tắc 1 chiều và 2 chiều

Công tắc đôi 1 chiều và 2 chiều

Công tắc ba 1 chiều và 2 chiều

Công tắc bốn 1 chiều và 2 chiều

Công tắc trung gian
Sử dụng trong hệ thống điều khiển nhiều điểm bật/tắt Thường kết hợp với công tắc 2 chiều để mở rộng khả năng điều khiển
Tính linh hoạt trong lắp đặt hệ module
Simon i7 cho phép lắp đặt theo dạng module linh hoạt từ 1 đến 5 khung viền, giúp người dùng dễ dàng tùy biến theo nhu cầu thực tế.
Ngoài công tắc và ổ cắm thông thường, hệ thống còn hỗ trợ:
- Ổ cắm TV
- Ổ cắm mạng (data)
- Ổ cắm đa phương tiện
Điều này giúp đáp ứng đầy đủ nhu cầu sinh hoạt, làm việc và giải trí trong cùng một hệ thống điện, mang lại sự tiện nghi và thẩm mỹ cao.
Công tắc ổ cắm Simon i7 không chỉ nổi bật về thiết kế hiện đại mà còn được đánh giá cao về độ bền, độ an toàn và tính linh hoạt trong lắp đặt. Với cấu trúc chắc chắn, vật liệu cao cấp và khả năng ứng dụng đa dạng, đây là lựa chọn phù hợp cho các công trình yêu cầu cao về chất lượng và thẩm mỹ.
TVQuản trị viênQuản trị viên
Xin chào quý khách. Quý khách hãy để lại bình luận, chúng tôi sẽ phản hồi sớm